
Solutions - Navview
AUV & USV Mission Planning
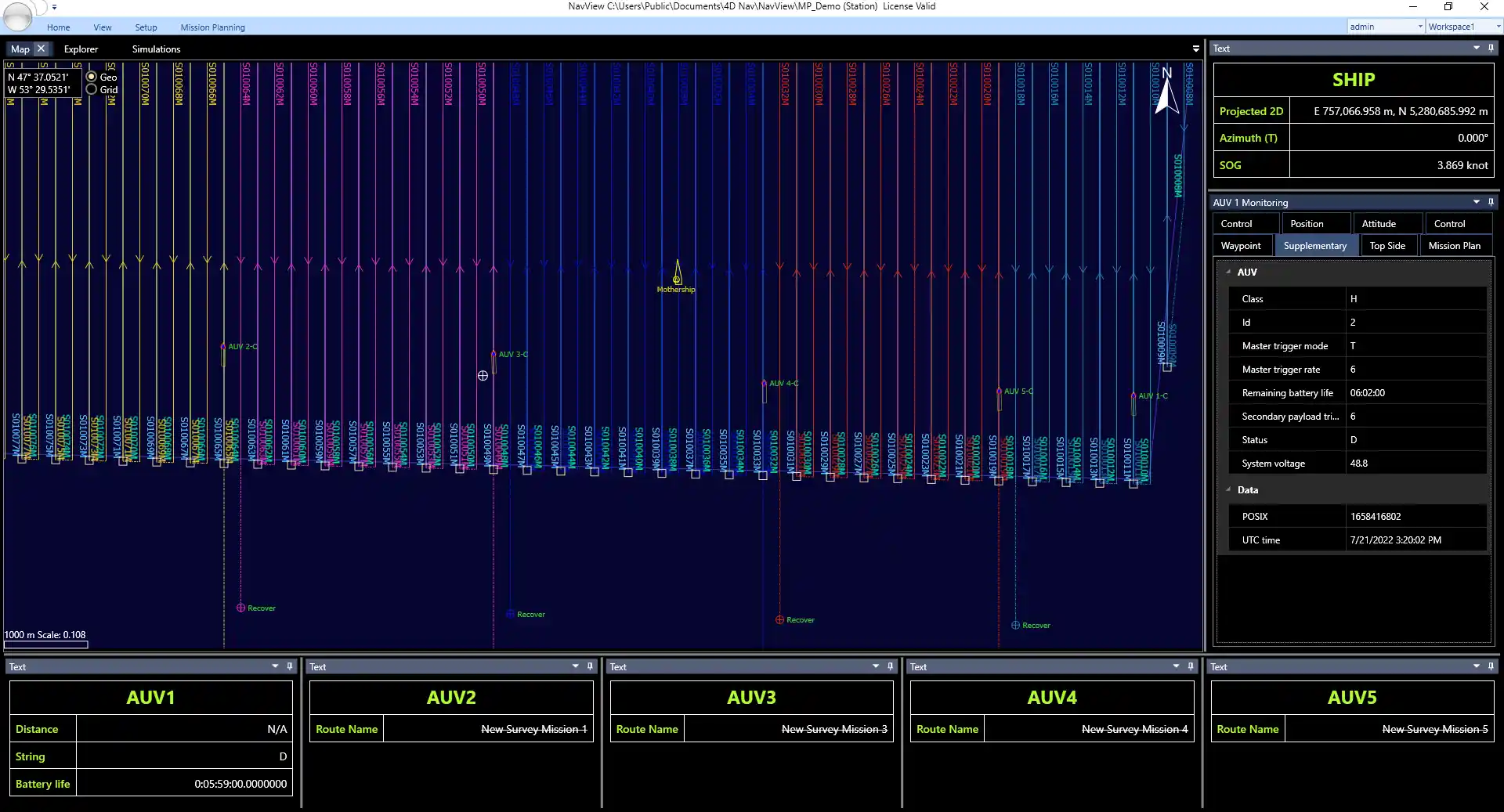
Plan and Monitor your AUV and USV Mission in One Place
4D Nav's multi-vehicle AUV and USV mission planning and monitoring solution includes features that streamline the planning, monitoring, and control processes into an efficient all-in-one tool. This planning tool utilizes NavView's powerful architecture and customized features to enable seamless mission planning.

Intuitive Planning, Flexible Controls
With AUV and USV mission planning and monitoring, you can assign and customize survey specifications, important variables, loiter positions, and run-in/run-out values to create a plan tailored to your unique operations. This also includes host vessel planning to ensure efficient deployment and recovery of multiple vehicles.

AUV and USV mission planning and monitoring
Our mission planning and monitoring is a user-friendly tool that quickly adapts to your specifications with straightforward integrations and imports.
- Model vehicle capabilities including endurance and sensor payload
- Create plans by assigning and customizing survey specifications, vital variables, loiter positions, and run-in/run-out values
- Line start and end time calculations
- Gantt chart production
- Real-time vehicle activity monitoring
- Adjustable waypoints
- Beacon communication coverage area display
- Weather-based mission planning functionality
- Dedicated to your deepwater success and safety
For more information about our industry leading software, please reach out to schedule a demo.